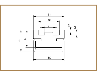
TYPE CTS roller chian guides
| DIN 8187(Chain No.) | Chain dimensions (Inch) | B1 | H | Hc | b1 | b2 | h1 | h2 | Article no. | 
| 06B-1 | 3/8‘‘ x 7/32‘‘ | 20 | 14 | 17 | 3.8 | 13 | 1.5 | 1.1 | KXT-CTS-06B-1-001 | 
| 083-1 | 1/2‘‘ x 3/16‘‘ | 20 | 14 | 17 | 3 | 12.4 | 1.6 | 1.4 | KXT-CTS-083-1-002 | 
| 085-1 | 1/2‘‘ x 1/4‘‘ | 22 | 14 | 17 | 4.5 | 15.1 | 2.2 | 1.6 | KXT-CTS-085-1-003 | 
| 08B-1 | 1/2‘‘ x 5/16‘‘ | 25 | 16 | 20 | 5.7 | 16.3 | 2.2 | 1.6 | KXT-CTS-08B-1-004 | 
| - | 5/8‘‘ x 1/4‘‘ | 25 | 16 | 20 | 4.1 | 16.1 | 2.6 | 2.1 | KXT-CTS-005 | 
| 10B-1 | 5/8‘‘ x 3/8‘‘ | 28 | 16 | 20 | 7.4 | 19.2 | 2.6 | 2.1 | KXT-CTS-10B-1-006 | 
| 12B-1 | 3/4‘‘ x 7/16‘‘ | 30 | 18 | 22 | 9.2 | 21.8 | 2.4 | 2.8 | KXT-CTS-12B-1-007 | 
| 16B-1 | 1‘‘ x 17 mm | 42 | 25 | 30 | 15 | 35 | 3.5 | 3.3 | KXT-CTS-16B-1-008 | 
| 20B-1 | 1 1/4‘‘ x 3/4‘‘ | 50 | 30 | 35 | 16.8 | 40 | 4.2 | 4 | KXT-CTS-20B-1-009 | 
	
ADVANTAGES OF USING EXTRUDED NYLON CHAIN GUIDE
	1. Rather Lower Cost
One-time extrusion shaping process eliminated the extra CNC processing costs and labor costs.
2. Ultra-smooth finish
Extrusion process makes the surface more smooth, increases the service life, reduces friction.
3. Flexible length
Extruded nylon rail can achieve any length (each) according to customer requirements.
4. Higher precision
Experiments with a Type "T" 3/8 "x7 / 32" as an example, B = 15mm, H = 10mm, b = 5.4mm, h = 1.5mm, for the extruded nylon chain guide specimen, any cross-sectional dimension error within the ± 0.05mm; the 3 random UHMWPE samples from the market, size error range at ± 0.8mm.
5. Solutions for the size-changing when water-absorbed
Nylon is water absorbent, here we use water-resistant additives, and 25%~35% fiberglass to prevent the nylon guide from size expansion (in 1%).
6. Wear Resistance
Friction coefficient of 0.06 to 0.11 is not inferior to UHMWPE rail (0.05 to 0.08).
7. Longer life
Excellent mechanical properties, better wear resistance, longer life than UHMWPE guide.
8. Extremely higher operating temperature
UHMWPE guide is only 80 ºC, here nylon chain guide can be upto 230 ºC.
9. Super mechanical properties
Almost four times as the UHMWPE guide.
| NO. | MATERIAL OF CHAIN GUIDE | TRADE MARK | TENSILE STRENGTH | DENSITY | BENDING STRENGTH | VICAT SOFTENING TEMPERATURE | 
| 1 | glassfiber reinforced nylon66 | PA66+30%GF | 189~230 | 1.38 | 262 | 248 | 
| 2 | UHMWPE | UHMWPE | 30~50 | 0.94 | 11 | 95 | 
	
PERFORMANCE
The performance of thermal barrier strips are in line with the Chinese standard GB/T 23615.1-2009 and the European Standard EN 14024:2004, for KAXITE series, the performance is rather higher than the standard value.
Details of related standard:
- GB/T 23615.1-2009 Accessorial material for architectural aluminum alloy profiles -- Part 1: Thermal barrier strip of polyamide
- EN 14024-2004 Metal profiles with thermal barrier -- Mechanical performance Requirement, proof and tests for assessment
- YS/T 437-2008 Aluminium profiles moment of inertia calculation methods and computing software requirements
- JG/T 174-2005 Thermal barrier strips for construction industry
- GB 5237.6 -2012 Wrought aluminium alloy extruded profiles for architecture -- Part 6: Thermal barrier profiles
- GB/T 8478-2008 Aluminium windows and doors
- GB/T 8484-2008 Graduation and test for thermal insulating properties of doors and windows
- JG 175-2011 Insulating aluminum alloy profiles with thermal barrier for buildings
In 2015, we became the leader of the Chinese National Standard Committee (for revising of GB/T 23615.1-2009) .
	
RAW MATERIALS
For quality, the most important thing is to control the performance of the raw materials, as we have to ensure the expensive but indispensable additives (e.x. Antioxidants & Anti-aging agents) were contained in the mixture. We have our own capacity of granulation for PA66 GF25 and many other kinds of plastic granules. We're the only one who used the technology of Vacuum Drying for the polyamide, which could highly improve the natural performance of the nylon granules.
We have series of brands, corresponding to different raw materials. For domestic series, they will be the domestic new PA66 and short chopped fiberglass, for KAXITE series, they will be the imported Dupond PA66 and short chopped fiberglass, which has rather better performance than the standard required.
	
CUTTING DIES
Mostly we could finish the development of new products in 15 days.
	The hardest thing is not thinking, but realizing. Most customers were upset that nobody could develop the shapes that they designed, some counterparts even came and looking for help to our workshop. We developing and cutting new dies for our customer, of course we never failed to develop any shape for our customers. 
	
DELIVERY
We have more than 40 extruders, production capacity of 550,000 meters per day. For common specifications, they‘re ready in stock, if customized, mostly the production could be finished in 7 days.
 
                        

 
																														